A2001760 Heavy-Duty Grinding Spindle
A2001760 Heavy-Duty Grinding Spindle190mm | 90 N·m Torque | Engineered for High-Precision, High-Rigidity Grinding Applications
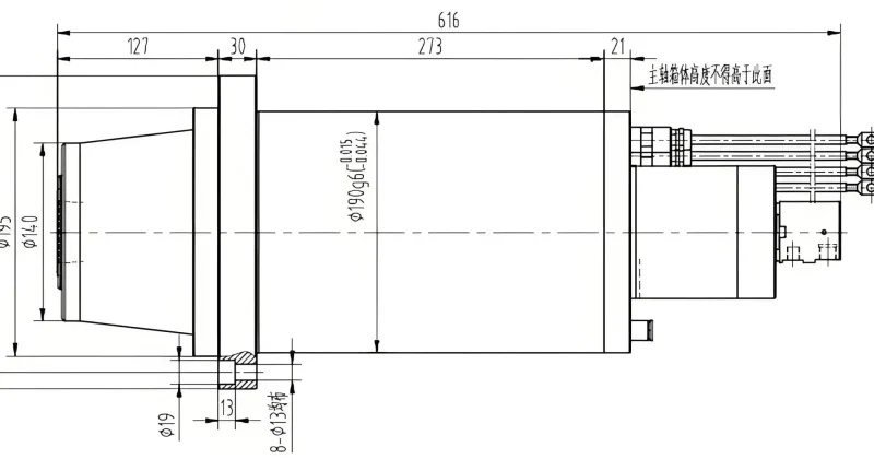
The A2001760 is a professional-grade electric spindle designed specifically for demanding grinding machines, such as cylindrical grinders, roll grinders, and large surface grinders. Built with a robust 190mm housing, it delivers exceptional torque (up to 90 N·m) and rigidity (1000 N/µm radial stiffness) necessary for stable, high-precision material removal on hardened steels, alloys, and large workpieces. Featuring ultra-precision bearings and optimized for horizontal installation, this spindle is the core component for achieving superior surface finishes, tight tolerances, and reliable performance in industrial grinding operations.
Technical Overview
This spindle is engineered from the ground up for the unique challenges of grinding, prioritizing process stability, thermal control, and precision over high rotational speed. Its high torque output and extreme radial stiffness minimize vibration and deflection during the grinding process, which is critical for achieving fine surface finishes and maintaining geometric accuracy on large or heavy components.
Core Performance Advantages
High Torque & Power for...
